
性能特点:
1、体积小、重量轻;
2、zui大流量40L/h,zui大压力5Mpa;
3、适用于净化污水处理、实验室、化验室。
技术参数:
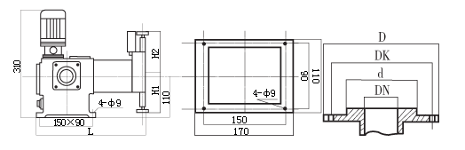
|
型号规格
|
流量(L/h)
|
压力(Mpa)
|
安装尺寸(mm)
|
|
DN
|
D
|
K
|
d
|
H1
|
H2
|
L
|
|
J-WM-0.3/5.0
|
0.3
|
5.0
|
3.5
|
75
|
50
|
33
|
142
|
182
|
|
|
J-WM-0.6/5.0
|
0.6
|
5.0
|
|
J-WM-0.9/4.0
|
0.9
|
4.0
|
|
J-WM-1.8/4.0
|
1.8
|
4.0
|
|
J-WM-1.6/3.2
|
1.6
|
3.2
|
|
J-WM-3.2/3.2
|
3.2
|
3.2
|
5
|
|
J-WM-2.8/2.5
|
2.8
|
2.5
|
|
J-WM-5.6/2.5
|
5.6
|
2.5
|
|
J-WM-4.0/1.6
|
4.0
|
1.6
|
7
|
|
J-WM-8.0/1.6
|
8.0
|
1.6
|
|
J-WM-7.5/1.0
|
7.5
|
1.0
|
|
J-WM-15/1.0
|
15
|
1.0
|
|
J-WM-12/0.6
|
12
|
0.6
|
|
J-WM-24/0.6
|
24
|
0.6
|
|
J-WM-20/0.4
|
20
|
0.4
|
|
J-WM-40/0.4
|
40
|
0.4
|
电机功率:0.25KW 转速:1400r/min
安装尺寸(mm):

|