
性能特点:
1、zui大排量44L/h,zui高压力6.4Mpa;
2、安装简单、操作简便;
3、计量精确,0-100%可动态调节;
4、抗化学腐蚀性强;
5、适用于净化,污水处理、实验室、化验室和其它各种小计量加液。
技术参数:
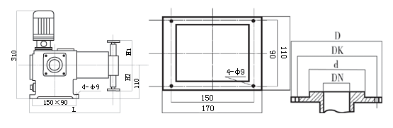
|
型号规格
|
流量(L/h)
|
压力(Mpa)
|
安装尺寸(mm)
|
|
DN
|
D
|
K
|
d
|
H1
|
H2
|
L
|
|
J-W-0.4/6.4
|
0.4
|
6.4
|
3.5
|
|
|
|
122
|
122
|
|
|
J-W-0.8/6.4
|
0.8
|
6.4
|
|
J-W-1.0/4.0
|
1.0
|
4.0
|
|
J-W-2.0/4.0
|
2.0
|
4.0
|
|
J-W-3.0/2.5
|
3.0
|
2.5
|
|
J-W-4.0/2.5
|
4.0
|
2.5
|
|
J-W-3.2/1.6
|
3.2
|
1.6
|
|
J-W-6.4/1.6
|
6.4
|
1.6
|
7
|
|
|
|
142
|
142
|
|
|
J-W-5.0/1.0
|
5.0
|
1.0
|
|
J-W-10/1.0
|
10
|
1.0
|
|
J-W-9/0.6
|
9
|
0.6
|
|
J-W-18/0.6
|
18
|
0.6
|
|
J-W-14/0.4
|
14
|
0.4
|
|
J-W-28/0.4
|
28
|
0.4
|
|
J-W-22/0.2
|
22
|
0.2
|
|
J-W-44/0.2
|
44
|
0.2
|
电机功率:0.25KW 转速:1400r/min
安装尺寸(mm):

|