首页 > 产品展示 > JX-JM型机械隔膜
JX-JM型机械隔膜
发布时间:2022-04-16 19:17:19   浏览数:143
 

性能特点:
1、机械驱动隔膜;
2、完全不泄漏,操作简单;
3、可输送各种易燃、易爆、剧毒、放射性、强腐蚀性介质;
4、zui大流量1183L/hzui高压力1.0Mpa。

选型代码:

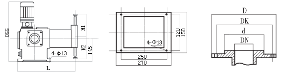
技术参数:

型号规格

流量(L/h)

压力(Mpa)

安装尺寸(mm)

DN

D

K

d

H1

H2

L

JX-JM-10/2.0

10

2.0

7

 

 

 

122

122

 

JX-JM-20/2.0

20

2.0

JX-JM-50/2.0

50

2.0

JX-JM-125/1.0

125

1.0

JX-JM-150/1.0

150

1.0

JX-JM-250/0.5

250

0.5

12

95

65

46

147

147

 

JX-JM-600/0.5

600

0.5

JX-JM-800/0.2

800

0.2

JX-JM-1183/0.2

1183

0.2

电机功率:0.37KW-0.55KW 转速:1400r/min

安装尺寸(mm):

淮安市全欣金机械科技有限公司
联系人:刘先生
电话:18936765456  15052454828
地址:淮安市涟水县红窑镇龙兴创业园
版权所有:淮安市全欣金机械科技有限公司    网站备案号:苏ICP备2023045685号    网站制作维护:卓越凯欣